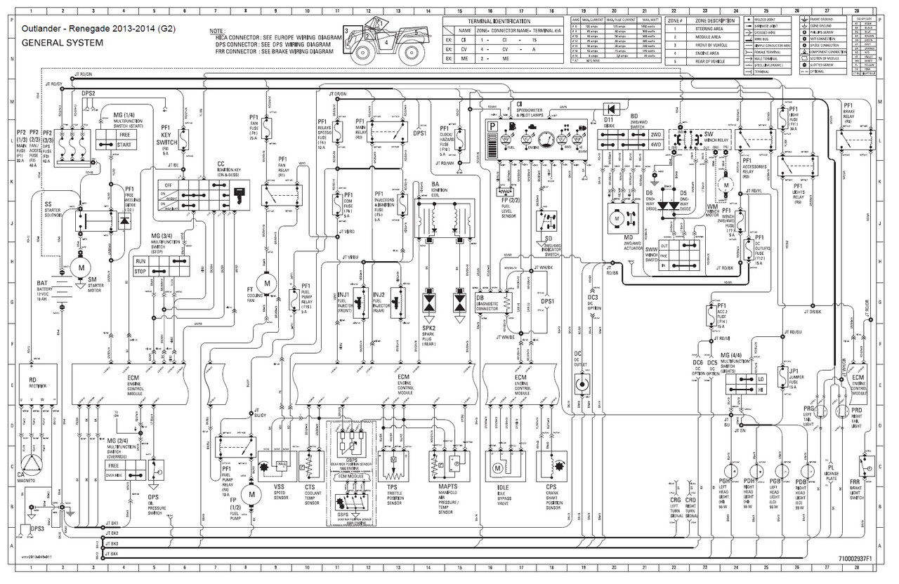
2015 CAN AM OUTLANDER 1000 SERVICE MANUAL

Cee1 Data Intelligence Staff
2026-V4 ยท 6 min read ยท โ˜… Member-only
2015 CAN AM OUTLANDER 1000 SERVICE MANUAL

Analysis Overview

Examine thorough knowledge on 2015 can am outlander 1000 service manual. Cee1 Data Intelligence's 2026 dataset has synthesized 10 digital feeds.

Data synchronization in progress for 2015 can am outlander 1000 service manual... Please try again shortly.

๐Ÿ‘ 1.2K ๐Ÿ’ฌ 48
๐Ÿ”– ๐Ÿ“ค

More from Cee1 Data Intelligence

People searching for "2015 can am outlander 1000 service manual" are also interested in: research, data, and more.